SW215直流接触器

您的位置 : 网站首页 > 产品中心 > 主触头多路直流接触器系列 > SW215直流接触器
SW215
SW215
  • SW215
型号:SW215直流接触器
  • 线圈额定电压(V)

    6-240

  • 主触点额定电流(A)

    250A

联系电话:021-55560736
ZJ-50D直流接触器

产品介绍

Product introduction

产品用途

SW215专为直流负载而设计,包括用于电动车辆(如工业卡车)的电机。SW215专为中断和不间断负载而开发,适用于开关电阻,电容和电感负载。

技术数据
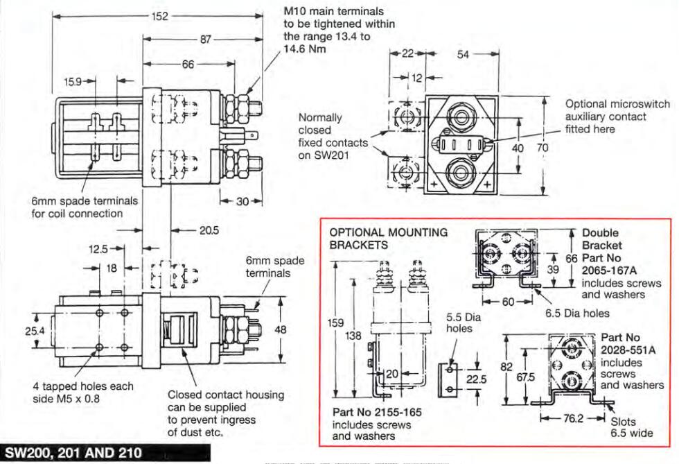
外形尺寸图
SW215直流接触器
  • 邮  箱:cnhgq@foxmail.com 邮  编:201206
  • 厂  址:上海市曹路钦塘工业园钦塘东南1号 销售地址:上海浦东新区外高桥华申路150号2幢
  • © Copyright JOSEF Inc. All rights reserved.沪ICP备08020013号